Ciao a tutti
Ho costruito il mio primo ampli a valvole !!! ,dopo tante problematiche per reperimento dei vari materiali e per la mia inesperienza nel campo delle valvole (e alla rottura di scatole a qualche membro del forum che ringrazio molto)mi trovo con un problema che non so' se attribuirlo alle valvole o a qualche altro componente ,"fischio in uscita"ho fatto alcune prove :ho sezionato la parte pre da quella finale ,la sezione finale funziona perfettamente quindi il fischio è genarato in quella pre ,lo schema è quello che si trova in un altro mio TOPIC :http://www.audiofaidate.org/forum/viewtopic.php?t=3597
ho ricontrollato le masse maggiormente quella del guscio della 6SJ7
ma tutto sembra a posto ,adesso non so piu' dove mettere le mani ,qualcuno piu' esperto potrebbe darmi un aiuto su quale prova posso fare ?
RINGRAZIO TUTTI COLORO CHE MI DARANNO UNA MANO!
Giuseppe
AMPLI SINGLE ENDED 1625 PROBLEMI !!!
-
- starting member
- Messaggi: 129
- Iscritto il: 17 set 2006, 01:59
- Località: Italy
Non e' che molto semplicemente hai invertito le connessioni sul secondario del trasformatore di uscita?Ciao a tutti
Ho costruito il mio primo ampli a valvole !!! ,dopo tante problematiche per reperimento dei vari materiali e per la mia inesperienza nel campo delle valvole (e alla rottura di scatole a qualche membro del forum che ringrazio molto)mi trovo con un problema che non so' se attribuirlo alle valvole o a qualche altro componente ,"fischio in uscita"
Originally posted by giuseTube - 06/03/2008 : 20:36:16
Mauro Agrosi
Mauro Agrosi
- audiofanatic
- sostenitore
- Messaggi: 5769
- Iscritto il: 11 ott 2005, 15:46
- Località: Italy
- Has thanked: 1 time
- Been thanked: 29 times
- Contatta:
Ciao a tutti
Ho costruito il mio primo ampli a valvole !!! ,dopo tante problematiche per reperimento dei vari materiali e per la mia inesperienza nel campo delle valvole (e alla rottura di scatole a qualche membro del forum che ringrazio molto)mi trovo con un problema che non so' se attribuirlo alle valvole o a qualche altro componente ,"fischio in uscita"ho fatto alcune prove :ho sezionato la parte pre da quella finale ,la sezione finale funziona perfettamente quindi il fischio è genarato in quella pre ,lo schema è quello che si trova in un altro mio TOPIC :http://www.audiofaidate.org/forum/viewtopic.php?t=3597
ho ricontrollato le masse maggiormente quella del guscio della 6SJ7
ma tutto sembra a posto ,adesso non so piu' dove mettere le mani ,qualcuno piu' esperto potrebbe darmi un aiuto su quale prova posso fare ?
RINGRAZIO TUTTI COLORO CHE MI DARANNO UNA MANO!
Giuseppe
Originariamente inviato da giuseTube - 06/03/2008 : 20:36:16
hai provato a collegare la controreazione sull'altro ramo del secondario? potrebbe essere un problema di fase. Puoi anche provare prima a scollegare la CR
Come prova ulteriore controlla cosa esce dalla sezione pre, ovviamente ti devi collegare dopo il C di accoppiamento, e comunque controlla che non ci sia continua
Filippo
-
- new member
- Messaggi: 15
- Iscritto il: 03 gen 2008, 02:05
- Località: Italy
Si OK ADESSO FUNZIONAAA!!!!GRAZIEEEE AD ENTRAMBI X I CONSIGLI.
Da prima ho verificato quanto cosigliato da Voi e poi ho invertito il secondario...
E pure avevo fatto molta attenzione hai collegamenti,allora a questo punto devo credere che il costruttore del TU HA FATTO DEGLI ERRORI?
ho inserito lo schema di come ho collegato , almeno il costruttore ha siglato cosi' i fili ...avevo anche misurato il primario per meglio identificare dove si trovava l'UL 44% se verso il rosso o il nero ,ed ho rilevato le misure che sono ora sullo schema,QUESTO ERRORE CHE PUR MI HA FATTO CRESCERE IN ESPERIENZA...A CHI E' DA ATTIBUIRE?
Da prima ho verificato quanto cosigliato da Voi e poi ho invertito il secondario...
E pure avevo fatto molta attenzione hai collegamenti,allora a questo punto devo credere che il costruttore del TU HA FATTO DEGLI ERRORI?
ho inserito lo schema di come ho collegato , almeno il costruttore ha siglato cosi' i fili ...avevo anche misurato il primario per meglio identificare dove si trovava l'UL 44% se verso il rosso o il nero ,ed ho rilevato le misure che sono ora sullo schema,QUESTO ERRORE CHE PUR MI HA FATTO CRESCERE IN ESPERIENZA...A CHI E' DA ATTIBUIRE?
Giuseppe
-
- new member
- Messaggi: 15
- Iscritto il: 03 gen 2008, 02:05
- Località: Italy
NON RIESCO AD INSERIRE L'IMMAGINESi OK ADESSO FUNZIONAAA!!!!GRAZIEEEE AD ENTRAMBI X I CONSIGLI.
Da prima ho verificato quanto cosigliato da Voi e poi ho invertito il secondario...
E pure avevo fatto molta attenzione hai collegamenti,allora a questo punto devo credere che il costruttore del TU HA FATTO DEGLI ERRORI?
ho inserito lo schema di come ho collegato , almeno il costruttore ha siglato cosi' i fili ...avevo anche misurato il primario per meglio identificare dove si trovava l'UL 44% se verso il rosso o il nero ,ed ho rilevato le misure che sono ora sullo schema,QUESTO ERRORE CHE PUR MI HA FATTO CRESCERE IN ESPERIENZA...A CHI E' DA ATTIBUIRE?
Originariamente inviato da giuseTube - 07/03/2008 : 12:02:13

Giuseppe
Giuseppe
- audiofanatic
- sostenitore
- Messaggi: 5769
- Iscritto il: 11 ott 2005, 15:46
- Località: Italy
- Has thanked: 1 time
- Been thanked: 29 times
- Contatta:
controlla i formati e le dimensioni, se è troppo grande riduci la risoluzioneNON RIESCO AD INSERIRE L'IMMAGINESi OK ADESSO FUNZIONAAA!!!!GRAZIEEEE AD ENTRAMBI X I CONSIGLI.
Da prima ho verificato quanto cosigliato da Voi e poi ho invertito il secondario...
E pure avevo fatto molta attenzione hai collegamenti,allora a questo punto devo credere che il costruttore del TU HA FATTO DEGLI ERRORI?
ho inserito lo schema di come ho collegato , almeno il costruttore ha siglato cosi' i fili ...avevo anche misurato il primario per meglio identificare dove si trovava l'UL 44% se verso il rosso o il nero ,ed ho rilevato le misure che sono ora sullo schema,QUESTO ERRORE CHE PUR MI HA FATTO CRESCERE IN ESPERIENZA...A CHI E' DA ATTIBUIRE?
Originariamente inviato da giuseTube - 07/03/2008 : 12:02:13
![]()
Giuseppe
Originariamente inviato da giuseTube - 07/03/2008 : 12:12:27
Filippo
-
- new member
- Messaggi: 15
- Iscritto il: 03 gen 2008, 02:05
- Località: Italy
-
- new member
- Messaggi: 15
- Iscritto il: 03 gen 2008, 02:05
- Località: Italy
PER FAVORE QUALCUNO MI AIUTA NON RIESCO AD INSERIRE LA FOTO IL FORMATO JPEG 1368X1210 NON CREDO SIA GRANDE COL CLIKK SU "INSERISCI IMMAGINE" MI ESCE SOLO LA DICITURA "img/[ img ]"NON RIESCO AD INSERIRE L'IMMAGINESi OK ADESSO FUNZIONAAA!!!!GRAZIEEEE AD ENTRAMBI X I CONSIGLI.
Da prima ho verificato quanto cosigliato da Voi e poi ho invertito il secondario...
E pure avevo fatto molta attenzione hai collegamenti,allora a questo punto devo credere che il costruttore del TU HA FATTO DEGLI ERRORI?
ho inserito lo schema di come ho collegato , almeno il costruttore ha siglato cosi' i fili ...avevo anche misurato il primario per meglio identificare dove si trovava l'UL 44% se verso il rosso o il nero ,ed ho rilevato le misure che sono ora sullo schema,QUESTO ERRORE CHE PUR MI HA FATTO CRESCERE IN ESPERIENZA...A CHI E' DA ATTIBUIRE?
Originariamente inviato da giuseTube - 07/03/2008 : 12:02:13
![]()
Giuseppe
Originariamente inviato da giuseTube - 07/03/2008 : 12:12:27
Giuseppe
Giuseppe
- Giaime
- sostenitore
- Messaggi: 3513
- Iscritto il: 17 nov 2005, 01:51
- Località: Italy
- Contatta:
Quando scrivi un post, guarda sulla barra dei pulsanti sopra il testo (quella subito sopra le faccine): c'è un pulsante con una graffetta disegnata, sulla destra. Se ci clicchi sopra, ti si apre una finestra dove puoi caricare un'immagine. Fai click su sfoglia, individua sul tuo PC l'immagine che vuoi caricare, fai click su Upload File, attendi e nella nuova finestra clicca su "Note: click here to display this image on your message. La finestra si chiuderà e apparirà una scritta nel tuo post fatta così:
(img)http://www.audiofaidate.org/forum/uploa ... .jpg(/img)
(dove al posto delle parentesi tonde ci saranno le quadre).
Così:

Non si possono caricare immagini troppo grandi sennò la routine di upload va in timeout. Se dovessi avere bisogno di caricare immagini molto pesanti, puoi usare un qualsiasi sito di hosting (es. ImageShack, TinyPic) e inserire il link all'immagine nel tuo post, sempre chiuso tra le scritte img e /img (con le parentesi quadre!) se vuoi che la foto sia visualizzata (sennò puoi anche lasciare solo il link, la foto si vedrà solo se qualcuno ci clicca sopra).
Ciao!
Giaime Ugliano
(img)http://www.audiofaidate.org/forum/uploa ... .jpg(/img)
(dove al posto delle parentesi tonde ci saranno le quadre).
Così:

Non si possono caricare immagini troppo grandi sennò la routine di upload va in timeout. Se dovessi avere bisogno di caricare immagini molto pesanti, puoi usare un qualsiasi sito di hosting (es. ImageShack, TinyPic) e inserire il link all'immagine nel tuo post, sempre chiuso tra le scritte img e /img (con le parentesi quadre!) se vuoi che la foto sia visualizzata (sennò puoi anche lasciare solo il link, la foto si vedrà solo se qualcuno ci clicca sopra).
Ciao!
Giaime Ugliano
Giaime Ugliano
-
- new member
- Messaggi: 15
- Iscritto il: 03 gen 2008, 02:05
- Località: Italy
GRAZIE GIAIME E DIRE CHE AVEVO GIA' PROVATO A FARLO MA NON HO ATTESO CHE CARICASSE LA FOTO ED HO CHIUSO PRIMA, GRAZIE ANCORA ANCHE PER LA TUA PRECISIONE DETTAGLIATA.
RIPOSTO IL TUTTO CON LO SCHEMA.
Si OK ADESSO FUNZIONAAA!!!!GRAZIEEEE AD ENTRAMBI X I CONSIGLI.
Da prima ho verificato quanto cosigliato da Voi e poi ho invertito il secondario...
E pure avevo fatto molta attenzione hai collegamenti,allora a questo punto devo credere che il costruttore del TU HA FATTO DEGLI ERRORI?
ho inserito lo schema di come ho collegato , almeno il costruttore ha siglato cosi' i fili ...avevo anche misurato il primario per meglio identificare dove si trovava l'UL 44% se verso il rosso o il nero ,ed ho rilevato le misure che sono ora sullo schema,QUESTO ERRORE CHE PUR MI HA FATTO CRESCERE IN ESPERIENZA...A CHI E' DA ATTRIBUIRE?
E' SOLO PER CAPIRE NON CERTO PER CATTIVERIA.

Giuseppe
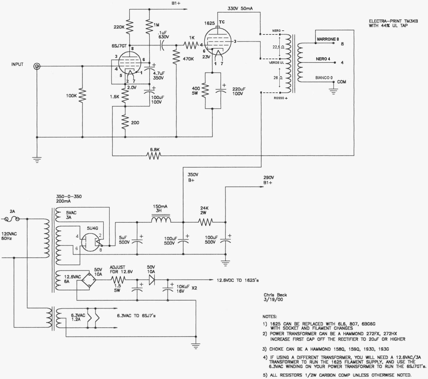
RIPOSTO IL TUTTO CON LO SCHEMA.
Si OK ADESSO FUNZIONAAA!!!!GRAZIEEEE AD ENTRAMBI X I CONSIGLI.
Da prima ho verificato quanto cosigliato da Voi e poi ho invertito il secondario...
E pure avevo fatto molta attenzione hai collegamenti,allora a questo punto devo credere che il costruttore del TU HA FATTO DEGLI ERRORI?
ho inserito lo schema di come ho collegato , almeno il costruttore ha siglato cosi' i fili ...avevo anche misurato il primario per meglio identificare dove si trovava l'UL 44% se verso il rosso o il nero ,ed ho rilevato le misure che sono ora sullo schema,QUESTO ERRORE CHE PUR MI HA FATTO CRESCERE IN ESPERIENZA...A CHI E' DA ATTRIBUIRE?
E' SOLO PER CAPIRE NON CERTO PER CATTIVERIA.

Giuseppe
Giuseppe
-
- Argomenti simili
- Risposte
- Visite
- Ultimo messaggio
-
- 3 Risposte
- 705 Visite
-
Ultimo messaggio da marcoacqui
-
- 75 Risposte
- 11007 Visite
-
Ultimo messaggio da hobbit
-
- 11 Risposte
- 1571 Visite
-
Ultimo messaggio da Luc1gnol0
-
- 25 Risposte
- 3154 Visite
-
Ultimo messaggio da Mobi