
Un saluto.
Luca
http://foto.webalice.it/g.lucap
Quali altre modifiche apparte la R 0.68 prima dei 33000uF......Per il filamento della 845 io preferirei spostare la R da 0.68Ohm prima dei 33000uF (possibile necessità di piccola taratura del valore).
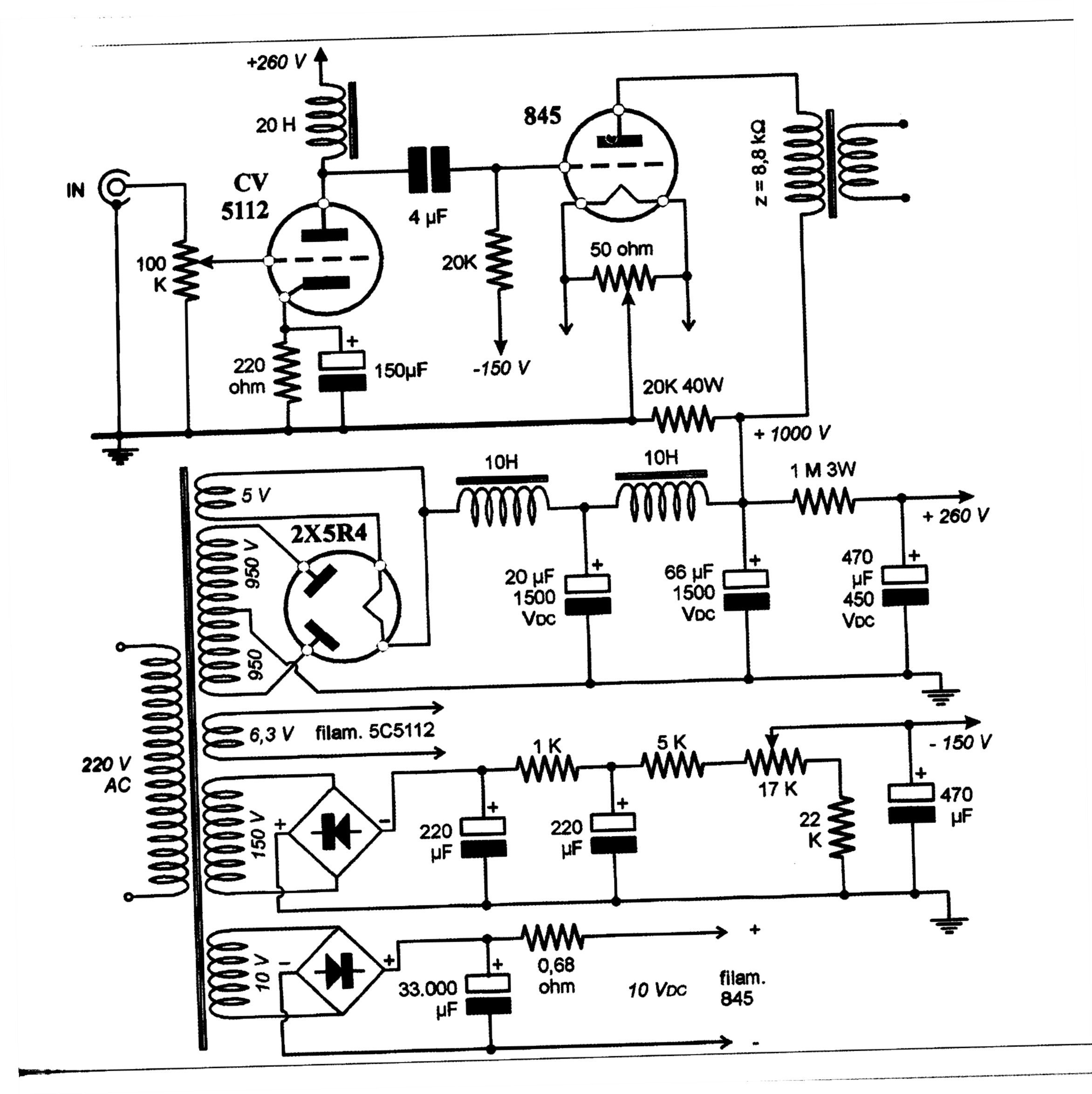
10H mi sembrano pochini per un ingresso induttivo oppure serve una induttanza da 300mA. Eppoi come si fa a tirare fuori 1000Vdc da 950VAC?
![]()
** we are made of nothing but voices echoing from the past
and pointing their fingers to the future showing the direction. we will eventually follow that line **
Originariamente inviato da gluca - 13/06/2008 : 22:49:05
Non è uno schema, ma solo un traccia per chi vuole fare qualcosa di simile. Io, dal basso della mia esperienza, direi:Qualche suggerimento su questo schema
Un saluto.
Luca
http://foto.webalice.it/g.lucap
Originally posted by poluca - 13/06/2008 : 22:36:47
CHF n. 19.Tu cosa ne pensi ad oggi di questo progetto?
Originally posted by poluca - 13/06/2008 : 22:45:50
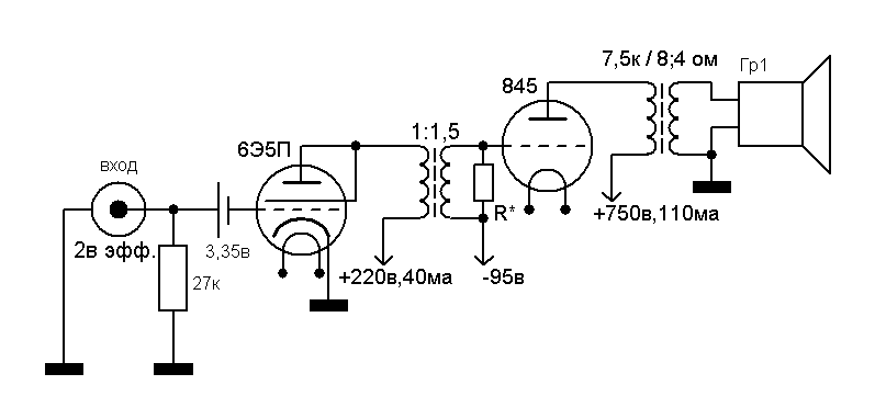
La scelta della 845 è perchè mi piace accesa e sentita suonare.....Se ti mantieni sui 5-600V le cose diventano più emplici ed economiche.
Ma esiste una ragione dietro la scelta della 845?
Ciao
** we are made of nothing but voices echoing from the past
and pointing their fingers to the future showing the direction. we will eventually follow that line **
Originariamente inviato da gluca - 14/06/2008 : 15:45:38
......quello di Bersani.......con utilizzo di valvole di facile reperibilità.CHF n. 19.Tu cosa ne pensi ad oggi di questo progetto?
Originally posted by poluca - 13/06/2008 : 22:45:50
Molto probabilmente il progetto postato ha dovuto fare i conti con quanto era disponibile come componenti di alimentazione, il trasformatore sembra un modello sviluppato per un muletto polivalente. Comunque il progetto di Jelasi è più che un suggerimento sulla carta, è stato sviluppato in un periodo molto fecondo per l'audiocostruzione italiana, quando la 'gara' tra progettisti di valore si svolgeva a colpi di oggetti ben suonanti. Non di diatribe e sensazionalismo.
Oggi, le 845 RCA sono costosissime, le CV5112 rare e in condizioni da verificare. I ferri necessari molto più costosi. Un progetto più attuale della stessa classe e filosofia potrebbe essere il GM70 di Shalin presentato su questi schermi.
Tra gli schemi proposti nel n. 19 di CHF, opterei ora come ora per lo schema di Bersani con la EL84 come driver.
Ho in casa diversa roba ad alta tensione messa da parte per un progetto simile inclusi enormi condensatori elettrolitici da 1500V. Ma credo che resteranno lì ancora per un bel pezzo. Mi sono reso conto che probabilmente il rischio (e i costi) di lavorare a tensioni alte non vale la resa.
Un 845 a bassa tensione (sui 500-600V) è in gestazione da tempo chez mrttg ed è proposto anche da Acme elettronica di Biella. 5W ti bastano?
Possibili alternative, oltre alla GM70, sono la SV811.
_________
Piergiorgio
Originariamente inviato da plovati - 14/06/2008 : 17:43:33
Ma non si usano gli elettrolitici per questi amp ...Ho in casa diversa roba ad alta tensione messa da parte per un progetto simile inclusi enormi condensatori elettrolitici da 1500V. Ma credo che resteranno lì ancora per un bel pezzo. Mi sono reso conto che probabilmente il rischio (e i costi) di lavorare a tensioni alte non vale la resa.
Originally posted by plovati - 14/06/2008 : 17:43:33