Mr Sallen & Mr Key
- gluca
- sostenitore
- Messaggi: 10610
- Iscritto il: 10 ott 2005, 18:31
- Località: Italì
- Been thanked: 8 times
Nel caso abbiate seguito sino ad ora i miei deliranti tentativi di costruirmi i vari elementi necessari alla riproduzione dei dischi di Miles Davis, non vi sarà sfuggito che ho accennato alla esigenza di pilotare i diffusori in biamping. Non so se sia la strada migliore, ma in qualche modo devo coltivare questo hobby. Vantaggi ce ne sono. Svantaggi pure. Divertimento molto.
Biamp per me significa che un xover attivo divide il segnale audio in 2 o 3 porzioni, preamplifica ed equalizza come necessario e poi i vari amp amplificano e pilotano le varie vie del diffusore. In questo modo dovrei aver bisogno di un xover più semplice per il diffusore o se volete per l'interfaccia amp-via.
Insomma io ho già evidenti difficolta con i progetti che ho in corso ... quindi dovrei lasciar perdere. Ma i mondiali sono finiti e la tv non la guardo.
Per iniziare vi indico un pò di materiale sui filtri attivi alla S&K (lo trovate al fondo di questa pagina)
http://users.pandora.be/educypedia/elec ... logfil.htm
e cito anche kit e progetti open source già disponibili
http://www.delta-audio.com/Active%20cross%20overs.htm
http://www.linkwitzlab.com/filters.htm
0) La mia idea, che vorrei sviluppare sotto i vs attenti occhi data la mia incontenibile ed imbarazzante ignoranza, è un xover attivo modulare e personalizzabile così che se qualcuno vuol farselo ci mette meno a scopiazzare da qui.
1) OPAMP. No tubi. Questa la prima scelta. OPA2134 od equivalenti (io sto ordinado questi in effetti). Perchè no tubi? Non credo che i tubi possano fare altrettanto bene con la medesima semplicità o meglio senza aggiungere complicazioni e costi. In effetti inizialmente volevo sviluppare un xover a tubi ... (solo per motivi di simpatia con la bottiglia sottovuoto e me ne scuso con chi storce il naso) ... ma mi sarebbe venuta un altra cosa da 30kg. BASTA!
2) No SMD. Ma qui la decisione non è definitivamente presa. Ecco, un consiglio sarebbe ben accetto. No SMD anche perchè se si volessero utilizzare i C ed R di boutique questi non sono SMD.
3) Alimentazione a batteria SLA con circuitino di ricarica. Perchè? Si parte subito e si può aggiungere dopo un alimentatore ad hoc.
4) I mattoncini di base sono quindi (nell'ordine)
-input
-filtro (passa alto, passa basso, passa banda)
-stadio di regolazione del guadagno
-bufferdi uscita
Gli OPA 2134 sono duali. Con uno di questi si riesce a fare una piccola PCB (primo modulo) di input per due canali dx e sx.
Con un altro si può fare un filtro 24dB.
Ed infine un altro OPA per guadagno e buffer.
Tre mattoncini basilari che possono su cui poi saldare C ed R adeguati per filtrare alla frequenza voluta.
Insomma cosa ne dite? Vediamo se domani riesco a postare un primo schemino per il buffer input.
Ciao
Gianluca
---------> DISCLAIMER: ooops credo di aver detto una fesseria ... scusate <---------
Biamp per me significa che un xover attivo divide il segnale audio in 2 o 3 porzioni, preamplifica ed equalizza come necessario e poi i vari amp amplificano e pilotano le varie vie del diffusore. In questo modo dovrei aver bisogno di un xover più semplice per il diffusore o se volete per l'interfaccia amp-via.
Insomma io ho già evidenti difficolta con i progetti che ho in corso ... quindi dovrei lasciar perdere. Ma i mondiali sono finiti e la tv non la guardo.
Per iniziare vi indico un pò di materiale sui filtri attivi alla S&K (lo trovate al fondo di questa pagina)
http://users.pandora.be/educypedia/elec ... logfil.htm
e cito anche kit e progetti open source già disponibili
http://www.delta-audio.com/Active%20cross%20overs.htm
http://www.linkwitzlab.com/filters.htm
0) La mia idea, che vorrei sviluppare sotto i vs attenti occhi data la mia incontenibile ed imbarazzante ignoranza, è un xover attivo modulare e personalizzabile così che se qualcuno vuol farselo ci mette meno a scopiazzare da qui.
1) OPAMP. No tubi. Questa la prima scelta. OPA2134 od equivalenti (io sto ordinado questi in effetti). Perchè no tubi? Non credo che i tubi possano fare altrettanto bene con la medesima semplicità o meglio senza aggiungere complicazioni e costi. In effetti inizialmente volevo sviluppare un xover a tubi ... (solo per motivi di simpatia con la bottiglia sottovuoto e me ne scuso con chi storce il naso) ... ma mi sarebbe venuta un altra cosa da 30kg. BASTA!
2) No SMD. Ma qui la decisione non è definitivamente presa. Ecco, un consiglio sarebbe ben accetto. No SMD anche perchè se si volessero utilizzare i C ed R di boutique questi non sono SMD.
3) Alimentazione a batteria SLA con circuitino di ricarica. Perchè? Si parte subito e si può aggiungere dopo un alimentatore ad hoc.
4) I mattoncini di base sono quindi (nell'ordine)
-input
-filtro (passa alto, passa basso, passa banda)
-stadio di regolazione del guadagno
-bufferdi uscita
Gli OPA 2134 sono duali. Con uno di questi si riesce a fare una piccola PCB (primo modulo) di input per due canali dx e sx.
Con un altro si può fare un filtro 24dB.
Ed infine un altro OPA per guadagno e buffer.
Tre mattoncini basilari che possono su cui poi saldare C ed R adeguati per filtrare alla frequenza voluta.
Insomma cosa ne dite? Vediamo se domani riesco a postare un primo schemino per il buffer input.
Ciao
Gianluca
---------> DISCLAIMER: ooops credo di aver detto una fesseria ... scusate <---------
"i was looking back to see if you were looking back at me to see me looking back at you"
- Giaime
- sostenitore
- Messaggi: 3513
- Iscritto il: 17 nov 2005, 01:51
- Località: Italy
- Contatta:
- nullo
- sostenitore
- Messaggi: 2830
- Iscritto il: 10 ott 2005, 04:48
- Località: Italy
Perchè? ..ci sono delle bellissime pubblicità fra uno spezzone di programma e l'altro...i mondiali sono finiti e la tv non la guardo.
.. ho ascoltato degli op amp suonare bene raramente, bisogna saperci davvero fare, forse coi tubi è più facile.
Qui c'è un aggeggio che pesa meno di 30kg, ho sentito qualcuno che lo usa, che ha un impianto con gli ALE, ma non ho avuto esperienza diretta di ascolto. Nel sito ci sono schemi, è disponibile anche in kit parziale ed inoltre è molto versatile.
http://www.marchandelec.com/xm44.html
Ciao, Roberto
Conoscete qualcuno che scelga i propri apparecchi ed accessori con le misure e non con l'ascolto degli stessi in un particolare contesto?
Conoscete qualcuno che scelga i propri apparecchi ed accessori con le misure e non con l'ascolto degli stessi in un particolare contesto?
- nullo
- sostenitore
- Messaggi: 2830
- Iscritto il: 10 ott 2005, 04:48
- Località: Italy
...ehm, intendevo indicare questo...., scusate.
http://www.marchandelec.com/xm26.html
L'altro modello non è a tubi!
Ciao Roberto
Ps avete notato che ha una alimentazione duale?
http://www.marchandelec.com/xm26.html
L'altro modello non è a tubi!
Ciao Roberto
Ps avete notato che ha una alimentazione duale?
Ciao, Roberto
Conoscete qualcuno che scelga i propri apparecchi ed accessori con le misure e non con l'ascolto degli stessi in un particolare contesto?
Conoscete qualcuno che scelga i propri apparecchi ed accessori con le misure e non con l'ascolto degli stessi in un particolare contesto?
- gluca
- sostenitore
- Messaggi: 10610
- Iscritto il: 10 ott 2005, 18:31
- Località: Italì
- Been thanked: 8 times
OH! Lo conoscevo thanks. L'alternativa è usare cathode follower (con ccs al catodo) invece degli opamp (che userei con guadagno unitario). Usando poi valvole a bassa tensione anodica viene poi tutto più semplice.
I blocchetti rimangono gli stessi ma con i doppi triodi invece che gli opamp duali.
Il problema è che non sono sicuro che i cathode follower suonino meglio degli opamp ... almeno per la mia limitatissima esperienza. Con gli opamp secondo me si spende una 50ina di euro e passa la paura.
NON FATEMI VENIRE DUBBI TERMOIONICI! Se dovessi seguire l'istinto primordiale ne farei uno con una fila di 801A ed 83 con trafo parafeed all'uscita di ogni via ... altro che 30kg poi! O magari le 26?
Ciao
Gianluca
---------> DISCLAIMER: ooops credo di aver detto una fesseria ... scusate <---------
I blocchetti rimangono gli stessi ma con i doppi triodi invece che gli opamp duali.
Il problema è che non sono sicuro che i cathode follower suonino meglio degli opamp ... almeno per la mia limitatissima esperienza. Con gli opamp secondo me si spende una 50ina di euro e passa la paura.
NON FATEMI VENIRE DUBBI TERMOIONICI! Se dovessi seguire l'istinto primordiale ne farei uno con una fila di 801A ed 83 con trafo parafeed all'uscita di ogni via ... altro che 30kg poi! O magari le 26?
Ciao
Gianluca
---------> DISCLAIMER: ooops credo di aver detto una fesseria ... scusate <---------
"i was looking back to see if you were looking back at me to see me looking back at you"
- Giaime
- sostenitore
- Messaggi: 3513
- Iscritto il: 17 nov 2005, 01:51
- Località: Italy
- Contatta:
Se il cathode follower ti fa schifetto, prova l'anode follower
Per implementare un completo opamp a triodi, ti bastano 3 triodi, oppure un pentodo e un triodo. Non penso sia il caso di andare a sbattersi con tubi difficili, le buone vecchie ECC82 saranno di sicuro meglio di quei bacarozzi neri che voi chiamate opamp.
Saluti termoionici



Giaime Ugliano
http://giaime.altervista.org
Per implementare un completo opamp a triodi, ti bastano 3 triodi, oppure un pentodo e un triodo. Non penso sia il caso di andare a sbattersi con tubi difficili, le buone vecchie ECC82 saranno di sicuro meglio di quei bacarozzi neri che voi chiamate opamp.
Saluti termoionici



Giaime Ugliano
http://giaime.altervista.org
Giaime Ugliano
- gluca
- sostenitore
- Messaggi: 10610
- Iscritto il: 10 ott 2005, 18:31
- Località: Italì
- Been thanked: 8 times
Preseguo incurante della tentazione termoionica. Sallen-Key si possono in effetti fare anche con stadi a guadagno > 1 e quindi rinunciare ai cathode follower.
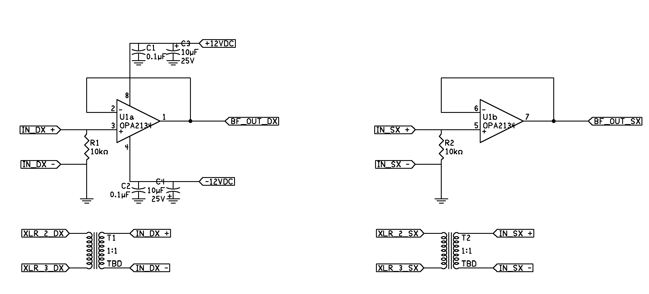
Ecco l'input. Come al solito mi sono scivolati due trafi di ingresso (anche se non necessari pur utilizzando connessioni xlr). Pensate sia opportuno usare ferrite bead ai piedini di alimentazione? 0.1uF potrebbe essere un fks. 10uF un elettrolitico.
Commenti?

Gianluca
---------> DISCLAIMER: ooops credo di aver detto una fesseria ... scusate <---------
Ecco l'input. Come al solito mi sono scivolati due trafi di ingresso (anche se non necessari pur utilizzando connessioni xlr). Pensate sia opportuno usare ferrite bead ai piedini di alimentazione? 0.1uF potrebbe essere un fks. 10uF un elettrolitico.
Commenti?

Gianluca
---------> DISCLAIMER: ooops credo di aver detto una fesseria ... scusate <---------
"i was looking back to see if you were looking back at me to see me looking back at you"
- nullo
- sostenitore
- Messaggi: 2830
- Iscritto il: 10 ott 2005, 04:48
- Località: Italy
Ultima tentazione..lo giuro.
Scusa Gluca, ma perchè considerare una cosa a sè stante l'x-over.
In fondo lo possiamo considerare una parte integrante dell'a mpli o del pre, farlo guadagnare QB per sostituire uno stadio pre esistente.
Vantaggi?
Si può contare su di un PSU già esistente, magari solo integrandolo...
Non occorre CR per limitare il guadagno.
Ah, dimenticavo, ho visto che alcuni integrano la rete divisoria con compensazioni pesate ad hoc per lo AP che si dovrà collegare alla catena.
Ciao, Roberto
Scusa Gluca, ma perchè considerare una cosa a sè stante l'x-over.
In fondo lo possiamo considerare una parte integrante dell'a mpli o del pre, farlo guadagnare QB per sostituire uno stadio pre esistente.
Vantaggi?
Si può contare su di un PSU già esistente, magari solo integrandolo...
Non occorre CR per limitare il guadagno.
Ah, dimenticavo, ho visto che alcuni integrano la rete divisoria con compensazioni pesate ad hoc per lo AP che si dovrà collegare alla catena.
Ciao, Roberto
Ciao, Roberto
Conoscete qualcuno che scelga i propri apparecchi ed accessori con le misure e non con l'ascolto degli stessi in un particolare contesto?
Conoscete qualcuno che scelga i propri apparecchi ed accessori con le misure e non con l'ascolto degli stessi in un particolare contesto?
- gluca
- sostenitore
- Messaggi: 10610
- Iscritto il: 10 ott 2005, 18:31
- Località: Italì
- Been thanked: 8 times
Si i vari notch ... ma preferirei tenerli tra amp ed AP.
Facciamo così ... questo lo si fa con i bacherozzi neri e poi ne facciamo uno con calma a tubazzi e senza CF.
Ciao
Gianluca
---------> DISCLAIMER: ooops credo di aver detto una fesseria ... scusate <---------
Facciamo così ... questo lo si fa con i bacherozzi neri e poi ne facciamo uno con calma a tubazzi e senza CF.
Ciao
Gianluca
---------> DISCLAIMER: ooops credo di aver detto una fesseria ... scusate <---------
"i was looking back to see if you were looking back at me to see me looking back at you"
- gluca
- sostenitore
- Messaggi: 10610
- Iscritto il: 10 ott 2005, 18:31
- Località: Italì
- Been thanked: 8 times

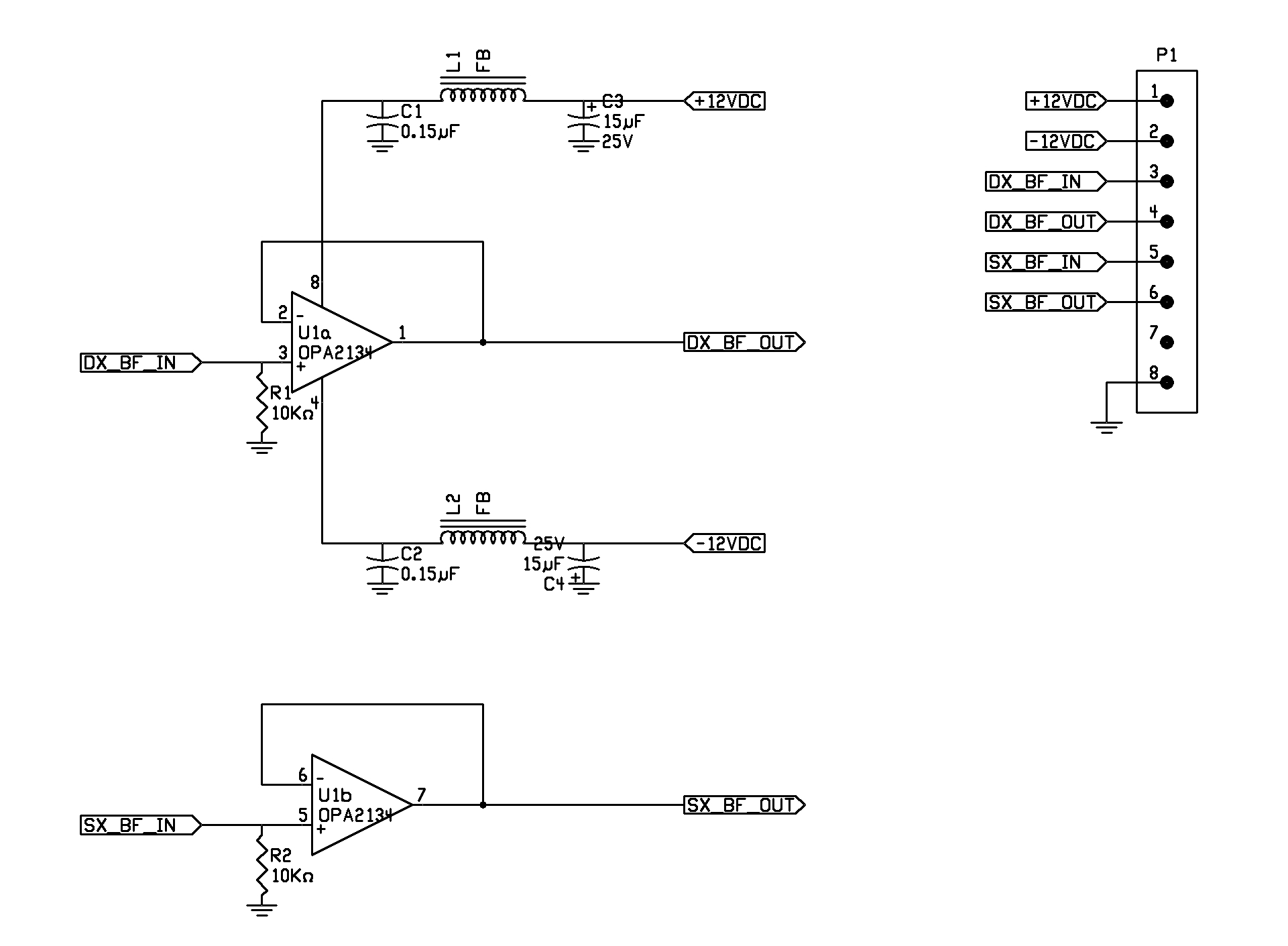
Un aggiornamento dello schema (con componenti che ho + ferriti nelle linee di alimentazione)

Disposizione componenti e lato rame (con circad non riesco a far venire tutto in un unico jpg intelleggibile).

Commenti?
Ciao
---------> DISCLAIMER: ooops credo di aver detto una fesseria ... scusate <---------
"i was looking back to see if you were looking back at me to see me looking back at you"
- Giaime
- sostenitore
- Messaggi: 3513
- Iscritto il: 17 nov 2005, 01:51
- Località: Italy
- Contatta:
Vabbè, questi sono i buffer. E i filtri?
Ps, hai controllato se l'opamp da te scelto è stabile a guadagno unitario?
Saluti termoionici



Giaime Ugliano
http://giaime.altervista.org
Ps, hai controllato se l'opamp da te scelto è stabile a guadagno unitario?
Saluti termoionici



Giaime Ugliano
http://giaime.altervista.org
Giaime Ugliano
- gluca
- sostenitore
- Messaggi: 10610
- Iscritto il: 10 ott 2005, 18:31
- Località: Italì
- Been thanked: 8 times
Dopo. Forse domani...
Pensavo si può fare una PCB separata per i componenti (R e C) tipici del filtro e lasciare gli opamp + alimentazione su un'altra PCB separata, così potrebbe bastare collegare diverse schedine per cambiare frequenza e tipo di filtro senza stare a saldare e dissaldare. E' chiaro che intendo rendere più semplice possibile l'ambaradan.
Ciao
Gianluca
---------> DISCLAIMER: ooops credo di aver detto una fesseria ... scusate <---------
Pensavo si può fare una PCB separata per i componenti (R e C) tipici del filtro e lasciare gli opamp + alimentazione su un'altra PCB separata, così potrebbe bastare collegare diverse schedine per cambiare frequenza e tipo di filtro senza stare a saldare e dissaldare. E' chiaro che intendo rendere più semplice possibile l'ambaradan.
Ciao
Gianluca
---------> DISCLAIMER: ooops credo di aver detto una fesseria ... scusate <---------
"i was looking back to see if you were looking back at me to see me looking back at you"
- gluca
- sostenitore
- Messaggi: 10610
- Iscritto il: 10 ott 2005, 18:31
- Località: Italì
- Been thanked: 8 times
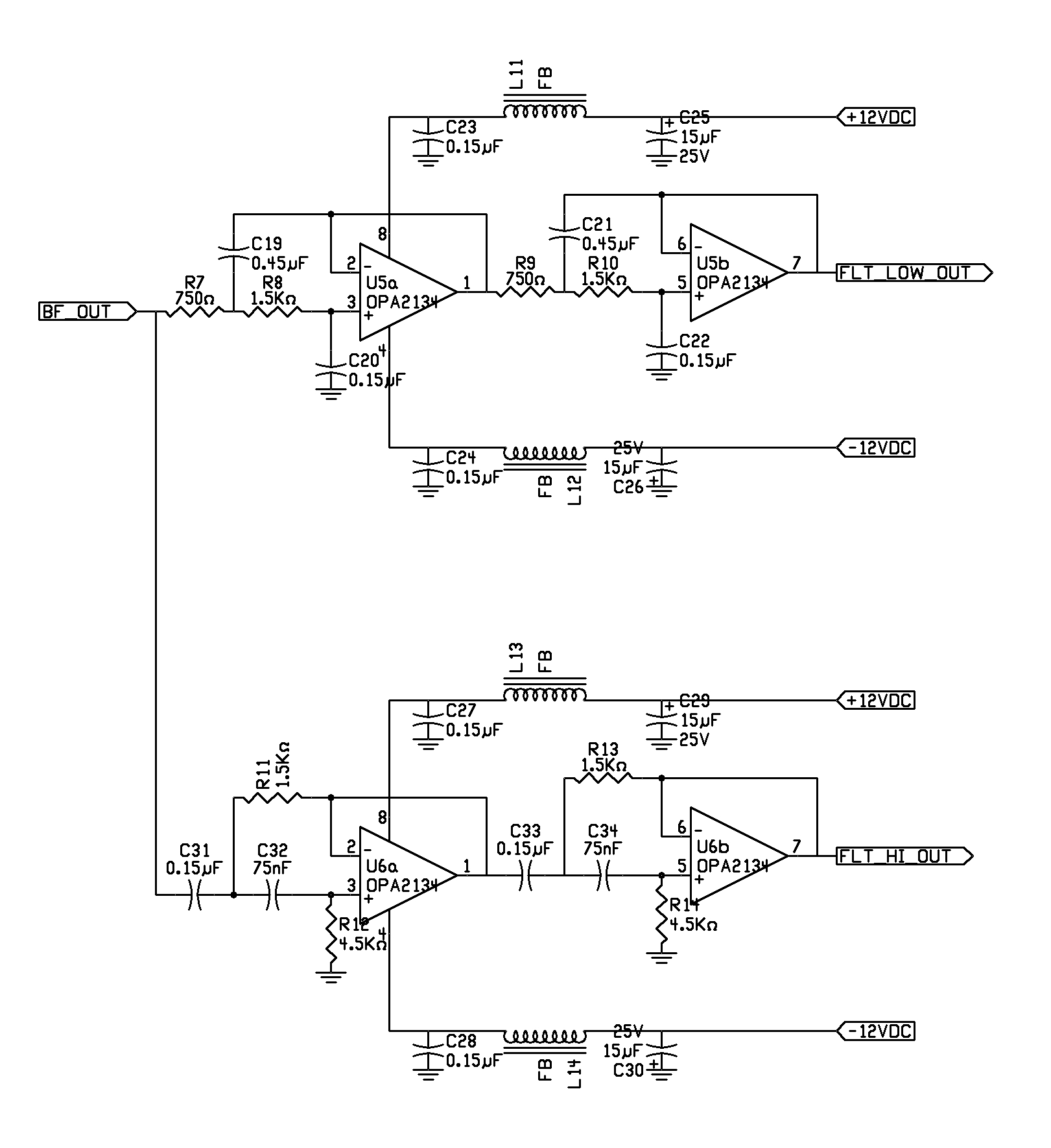
Ecco il filtro tarato su (circa) 600Hz sia nel ramo passa-basso che passa alto. E' un 24dB/ottava.
Pensavo ... lo stadio di uscita si potrebbe cmq fare a valvole??!!
Ciao

---------> DISCLAIMER: ooops credo di aver detto una fesseria ... scusate <---------
Pensavo ... lo stadio di uscita si potrebbe cmq fare a valvole??!!
Ciao

---------> DISCLAIMER: ooops credo di aver detto una fesseria ... scusate <---------
"i was looking back to see if you were looking back at me to see me looking back at you"
- Giaime
- sostenitore
- Messaggi: 3513
- Iscritto il: 17 nov 2005, 01:51
- Località: Italy
- Contatta:
Noooooooooooo il chippazzo no! Quantomeno un CCS di Pimm a batterie
(per il resto, bene, ma non ne vedo l'utilità. Io sono integralista: o tubi o opamp, non c'è via di mezzo.)
Saluti termoionici
Giaime Ugliano
http://giaime.altervista.org
(per il resto, bene, ma non ne vedo l'utilità. Io sono integralista: o tubi o opamp, non c'è via di mezzo.)
Saluti termoionici
Giaime Ugliano
http://giaime.altervista.org
Giaime Ugliano
- gluca
- sostenitore
- Messaggi: 10610
- Iscritto il: 10 ott 2005, 18:31
- Località: Italì
- Been thanked: 8 times
Si ma fare un filtro S&K 24dB con i tubazzi viene luuunga ...
no chippazzo? posso sempre metterci una L ... ma credo vada meglio il chippazzo
---------> DISCLAIMER: ooops credo di aver detto una fesseria ... scusate <---------
no chippazzo? posso sempre metterci una L ... ma credo vada meglio il chippazzo
---------> DISCLAIMER: ooops credo di aver detto una fesseria ... scusate <---------
"i was looking back to see if you were looking back at me to see me looking back at you"
- gluca
- sostenitore
- Messaggi: 10610
- Iscritto il: 10 ott 2005, 18:31
- Località: Italì
- Been thanked: 8 times
Ecco la PCB per il filtro passa basso. Saldando C al posto di R e vicersa (di valore opportuno) si trasforma in passa alto. Notate che ci sono alcune C ed R in parallelo alle principali che credo sarà poi necessario saldare per affinare il punto di taglio.
MAH!? Ora non mi resta che controllare tutti gli schemi stampati su carta, stampare le PCB e saldare (glom ... prevedo che la mia pazienza sarà messa a dura prova). I componenti sono più o meno in arrivo.
Ciao

---------> DISCLAIMER: ooops credo di aver detto una fesseria ... scusate <---------
MAH!? Ora non mi resta che controllare tutti gli schemi stampati su carta, stampare le PCB e saldare (glom ... prevedo che la mia pazienza sarà messa a dura prova). I componenti sono più o meno in arrivo.
Ciao

---------> DISCLAIMER: ooops credo di aver detto una fesseria ... scusate <---------
"i was looking back to see if you were looking back at me to see me looking back at you"
-
mauropenasa
- R.I.P.
- Messaggi: 712
- Iscritto il: 15 ott 2005, 20:33
- Località: Italy
Ma scusa, non ho ben capito, Gianluca:
Non avevi detto "no SMD" ?
Dove li trovi dei caps SMD (ad occhio 1206) di qualità e precisione sufficiente per quel lavoro ? (a parte le ovvie combinazioni per fare un valore tipo 0,45uF ecc...)
Guarda che con quelle dimensioni (e capacità che ti servono) trovi solo i ceramici X7R o giù di li... (THD in banda audio molto elevata e molto instabili termicamente....)
I COG, unica ottima scelta per l'audio, arrivano solo fino a 1nF circa....
Magari ho capito male....
ciao
Mauro
http://www.webalice.it/mauro.penasa/index.html
Non avevi detto "no SMD" ?
Dove li trovi dei caps SMD (ad occhio 1206) di qualità e precisione sufficiente per quel lavoro ? (a parte le ovvie combinazioni per fare un valore tipo 0,45uF ecc...)
Guarda che con quelle dimensioni (e capacità che ti servono) trovi solo i ceramici X7R o giù di li... (THD in banda audio molto elevata e molto instabili termicamente....)
I COG, unica ottima scelta per l'audio, arrivano solo fino a 1nF circa....
Magari ho capito male....
ciao
Mauro
http://www.webalice.it/mauro.penasa/index.html
-
- Argomenti simili
- Risposte
- Visite
- Ultimo messaggio



